บริษัท JIANGSU HUAFILTER HYDRAULIC Industry Co. , Ltd.
บริษัท JIANGSU HUAFILTER HYDRAULIC Industry Co. , Ltd.
ข่าว
สินค้า

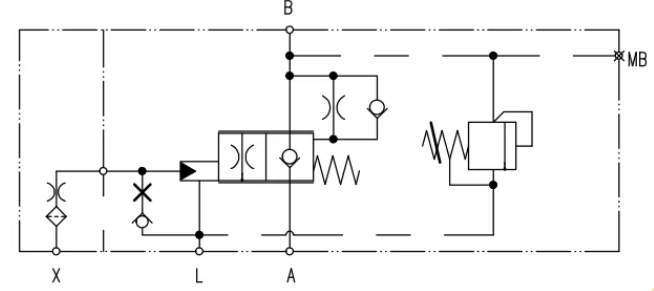
Huade Hydraulic Valve HD-BLV20-1X การเปิดตัวผลิตภัณฑ์การปรับสมดุลของวาล์ว

2025-05-07

HD-BLV20-1X Balancing Valve เป็นองค์ประกอบสำคัญในระบบไฮดรอลิกของเครื่องจักรก่อสร้างโดยเฉพาะอย่างยิ่งในการยกอุปกรณ์ (เช่นรถเครนรถบรรทุกรถเครนหอคอยแพลตฟอร์มการทำงานทางอากาศ ฯลฯ )

ฟังก์ชั่นหลัก

▪การควบคุมการโหลดและความแม่นยำในการเคลื่อนไหว

①การควบคุมสัดส่วนนักบินภายในตระหนักถึงการเริ่มต้นที่ราบรื่นและหยุดของแอคทูเอเตอร์ (กระบอกสูบ/มอเตอร์) กำจัดกระวนกระวายใจหรือผลกระทบภายใต้ภาระความเฉื่อยสูง

②มันให้ความสามารถในการควบคุมความเร็วของ Stepless ในการดำเนินการเช่นการยกและการลดลงของวัตถุหนักการเคลื่อนไหวของกล้องโทรทรรศน์แอมพลิจูดแอมพลิจูดและปรับให้เข้ากับความต้องการของการทำงานของไมโคร (เช่นการยกที่แม่นยำ)

▪ฟังก์ชั่นการถือครองความปลอดภัย

①วาล์วที่ถือเครื่องจักรกลการเก็บน้ำหนักแบบบูรณาการสามารถป้องกันไม่ให้โหลดหลุดออกจากการควบคุมแม้ว่าท่อไฮดรอลิกจะระเบิดหรือระบบโดยไม่ตั้งใจปล่อยความดัน (ตามมาตรฐานความปลอดภัย ISO 13849)

②วาล์วความปลอดภัยการป้องกันทุติยภูมิในตัวจะปล่อยแรงดันเมื่อความดันไปป์ไลน์เพิ่มขึ้นอย่างผิดปกติเพื่อป้องกันแอคทูเอเตอร์จากความเสียหายเนื่องจากแรงดันสูงสุด

▪ความสามารถในการผันผวนของการไหล

1. การออกแบบการชดเชยแรงดันถูกนำมาใช้ เมื่อปั๊มไม่ได้ให้น้ำมันเพียงพอ (เช่นความเร็วของเครื่องยนต์ลดลง) หรือการเปลี่ยนแปลงของโหลดทันทีการเปิดวาล์วจะถูกปรับโดยอัตโนมัติเพื่อหลีกเลี่ยงปรากฏการณ์ "คอกคืบ" ของแอคชูเอเตอร์

▪ไฮไลท์ด้านเทคนิค

⑴คอมโพสิตวาล์วโครงสร้างหลัก: วาล์วสมดุลหลักวาล์วโอเวอร์โหลดและวาล์วตรวจสอบจะถูกรวมเข้าเป็นหนึ่งเพื่อลดจุดรั่วไหลของท่อ

⑵การเพิ่มประสิทธิภาพการตอบสนองของการตอบสนองต่อการออกแบบ: การออกแบบวงจรน้ำมันควบคุมนักบินช่วยลดความล่าช้าในการเปิดและปิดและเวลาตอบสนองน้อยกว่า 50ms

⑶การปรับช่วงอุณหภูมิทั่วโลก: วัสดุร่างกายและซีลวาล์วสามารถทำงานได้อย่างเสถียรภายใต้ -40 ℃ ~ 120 ℃สภาพการทำงาน

พารามิเตอร์ผลิตภัณฑ์ของ HD-BLV20-1X Balancing Valve


ขนาด HD-BLV20-1X
แรงกดดันสูงสุดในการทำงาน 420bar
แรงดันสูงสุดที่พอร์ต (น้ำมันทางเข้า/ส่งคืน) 420bar
แรงดันสูงสุดที่พอร์ต B (แอคชูเอเตอร์/โหลด) 420bar
แรงดันนำร่องสูงสุดที่พอร์ต x 420bar
การไหลสูงสุด 350L/นาที
ทิศทางการไหล A → B ไหลผ่านวาล์วที่ไม่กลับมาใช้ใหม่
B → A, การไหลแบบควบคุม
วิธีการควบคุม อัตราส่วนการควบคุมไฮดรอลิก
อัตราส่วนเปิด 113: 1
อุณหภูมิน้ำมัน (℃) -20 ~ 80 ℃
ขนาด sae1''6000psi
ขนาดพอร์ตน้ำมัน A、 B sae1 '' 6000psi
x、 l1 l1、 mb G1/4 ''

ข่าวที่เกี่ยวข้อง
X
We use cookies to offer you a better browsing experience, analyze site traffic and personalize content. By using this site, you agree to our use of cookies. Privacy Policy
Reject Accept